자동 제어의 기초 지식
공조기의 운전이나 각종 수치의 계측은, 그 대부분이 자동화되고 있어 이들은 「빌딩 오토메이션」이라고 하는 명칭으로 보급되고 있다. 제어에는, 사람이 직접 조작하는 「수동 제어」와, 타이머나 릴레이, 전장 밸브 등을 이용하여 자동적으로 조작하는 「자동 제어」가 있다.
수동 제어는, 설비 감시원이 스스로 육안해 조작하는 것으로, 매일 매시간, 같은 동작을 해야 하는 전기 기기에 대해서는, 투입 잊어 등, 휴먼 에러의 원인이 되는 경우도 있어 자동화가 추천 된다.
제어하는 설비 계통이 고도이고 복잡하거나 조작에 위험을 수반하는 경우도 마찬가지로 자동 제어 시스템을 구축하고 사람의 손에 의한 조작을 가능한 한 제외하는 것이 바람직하다.
자동 제어 유형
자동제어는 정량적 제어와 정성적 제어의 두 종류로 분류된다. 정성적 제어는 온 오프에 의한 2치를 이용한 제어이다.
정성적 제어는, 제어 대상에 대하여 목표값을 정하고, 결과의 목표와의 차이를 검출하여 제어·처리를 해 가는 방식이다. 상기와 같은 제어 방식은 시퀀스 제어, 피드백 제어, 피드 포워드 제어라는 명칭으로 불린다.
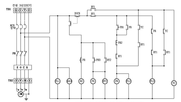
시퀀스 제어
온과 오프, 0과 무한대 등, 2치를 이용한 자동 제어에 시퀀스 제어가 있다. 기본 요소를 2치로 제어하기 때문에, 미리 정해진 스텝에 따라 순차적으로 진행하는 제어에 적합하고, 전의 동작으로부터 후의 동작으로 이동하는 요소는 「전의 동작이 완료한 것」 「일정 시간 경과한 후 의 정보를 사용한다. 시간적 요소, 공간적 요소로부터 불연속적인 양의 제어가 이루어진다. 취급하는 정보에 연속성이 없고, 외부로부터의 작업 명령에 의해 제어된다는 특징을 가지고 있다.
온 오프를 주체로 한 제어에서는, 릴레이라고 불리는 전자 개폐기나, 전자 밸브라고 불리는 기기가 사용된다. 릴레이는 전기 회로의 개폐를 행하는 접점으로서 사용하고, 전자 밸브(솔레노이드 밸브)는 물·가스·증기 등 기체·유체를 제어하기 위해서 사용된다.
헌팅
온-오프 제어는, 온의 점과 오프의 점을 설정하고, 조건의 합치에 의해 제어되기 때문에, 온점과 오프점을 좁게 설정하면, 자주 온 오프를 반복함으로써 제어성이 좋아진다. 릴레이나 솔레노이드 밸브는 개폐 수명이 있기 때문에, 빈번한 개폐를 반복하면 조기에 수명을 맞아 버려, 헌팅이라고 불리는 진동 상태가 발생한다.
간단한 헌팅의 사례로서 수온을 40℃로 하고 싶은 경우의 제어를 생각한다. 수온이 41℃가 된 순간에 냉각하고, 39℃가 된 순간에 가열하는, 온점과 오프점이 매우 작은 설정으로 자동 제어를 구축하면, 자주 가열·냉각이 반복되어 버려 , 릴레이나 솔레노이드 밸브는 개폐를 반복해, 목표의 수치에 침착할 수 없다. 온 / 오프 제어에서는 헌팅 폭을 작고 완만하게 할 수 있지만 완전히 제거하는 것은 불가능합니다.

시퀀스 제어의 기본 회로
시퀀스 제어의 기본 회로는 AND, OR, NOT, NOR, NAND의 5종류를 베이스로 하여 구축된다.
AND 회로
AND는 논리 곱이라고 불리며 두 개의 접점이 직렬로 연결된 회로입니다. 두 접점 모두 폐회로가 아니면 작동하지 않습니다. 이것을 AND 회로라고 부른다.
건축 설비에 있어서의 AND 회로의 채용 사례로서 불활성 가스 소화 설비의 사례를 설명한다. 불활성 가스 소화 설비로 경계되고 있는 방의 경우, 화재 감지의 순간에 가스를 방출하면, 실내에 사람이 있었을 경우, 가스를 빨아 버려 심각한 인적 피해로 이어진다. 자동화재경보설비로 설치된 감지기와 가스소화설비로 설치된 감지기 모두를 감지하여 가스소화설비를 분출시키는 제어로 한다. 계통이 다른 2개의 감지기에 의한 AND 회로로 볼 수 있다.
OR 회로
OR은 논리합이라고 불리고, 2개의 접점이 병렬로 접속된 회로이다. 어느 하나의 접점이 폐회로가 되면 동작한다. 이것을 OR 회로라고 부른다.
NOT 회로
NOT은 부정이라고 불리며, 입력측의 접점이 폐쇄 상태일 때 출력이 개방되는 회로이다.
NAND 회로
NAND는 부정 논리적이라고 불리며, AND 회로의 출력을 NOT로 반전시킨 것이다. 모든 입력 접점이 닫힌 경우에만 출력측이 열립니다.
NOR 회로
NOR는 부정 논리합이라고 불리며, OR 회로의 출력을 NOT로 반전시킨 것이다. 어느 쪽인가의 접점이 닫혀 있으면, 회로를 개방한다.
피드백 제어
피드백 제어는 목표 값과 제어 값의 편차를 검출하여 자동 제어를 수행하는 방식이다. 현 시점에서 요소 값을 검출하는 데 시간이 필요하기 때문에, 제어에는 항상 지연이 수반된다. 편차가 검출될 때까지 제어 시스템은 전혀 동작하지 않는다는 특징이 있다. 취급하는 정보는 연속성을 가지며, 제어의 회로 구성은 폐 루프가된다.
피드백 제어는 목표가 변경된 경우 즉시 제어 값이 추종하는 경우 외란에 대한 그 작용을 상쇄하는 경우에 채용되는 제어 방법이다. 피드백 제어의 비례 동작(P 동작), 적분 동작(I 동작), 미분 동작(D 동작)의 3종류가 있다. 비례 동작은 단독으로 사용되지만, 적분 동작과 미분 동작은 비례 동작과 조합하여 사용된다.
'전기' 카테고리의 다른 글
| 전기 인입점 (0) | 2024.01.05 |
|---|---|
| 직격 번개와 유도 번개의 특징 (0) | 2023.12.30 |
| 생체 인증 확인 (0) | 2023.12.27 |
| 카드 리더 (0) | 2023.12.26 |
| 방범 설비의 기기 구성 (0) | 2023.12.24 |